< Fundamental Physics
Matter
State
Solid . Đồng (Cu) , Sát(Fe) , ...
Liquid . Nước(H2O), ...
Gas . Ôxygen (O2)
Density
Rutherford charged particle distribution model

Borh circular quantum energy model
Force
Force Graph Symbol Mathematical formula Motion force -->O --> O Impulse -->O --> Opposition force Presure force Elastic force 
Friction force Circulation force Centripetal force Electrostatic force Electrodynamic force Electromomagnetomotive force Electromagnetic force
Motion
Momentum O -->
Uniform horizontal linear motion
O --> O
Uniform vertical linear motion
Uniform inclined linear motion
Non uniform curve motion
Uniform circular motion
Non uniform circular motion
Sinusodal wave motion
Spring's vertical oscillation wave
Spring's horizontal oscillation wave
Pendulum's vertical oscillation wave
Electric current oscillation wave
/Electric current decay oscillation wave/
Electromagnetic oscillation wave
Relative motion
Electricity
- Electricity types and electricity sources
Electricity Mathematical formula Electricity source DC electricity provides constant voltage over time
Electrolysis 
Electrovoltaic
.png.webp)
Photonvoltaic

AC electricity provides time varying sinusoidal voltage over time

Electromagnetic induction 
- Electric devices
Electric exponential decay
RC series

Electric exponential decayRL series

Electric current oscillation

Electric voltage standing wave oscillation


Electric current decay oscillation
Phương trình trên có nghiệm như sau
. 1 nghiệm thực
. 2 nghiệm thực
. 2 nghiệm phức
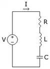
Electric peak current oscillation
Electromagnetic wave oscillation
Phương trình vector dao động điện từ
Phương trình sóng
Hàm số sóng
Sóng điện từ

Low frequency voltage stabilizer

Low frequency voltage stabilizer
High frequency voltage stabilizer

High frequency voltage stabilizer
Band pass voltage stabilizer

Band pass voltage stabilizer

Electromagneticism
- Electromagnetic fields
A straight line conductor 
A circular loop conductor
A coil of N circular loop conductor
Electromagnetization
Electromagnetic oscillation
Electromagnetic wave
Electromagnetic wave radiation
This article is issued from Wikiversity. The text is licensed under Creative Commons - Attribution - Sharealike. Additional terms may apply for the media files.