< Fundamental Physics < Electronics
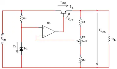
Electronics Regulator
Zener Diode Configuration
Transistor Configuration
Op Amp Transistor
Reference
This article is issued from Wikiversity. The text is licensed under Creative Commons - Attribution - Sharealike. Additional terms may apply for the media files.


