60
POPULAR SCIENCE MONTHLY.
the second terminal of which is connected to the earth. The secondary circuit of this last oscillation transformer is cut in the middle and is connected to the terminals of a small condenser. The outer terminals of this secondary circuit are connected to the metallic filings tube or other sensitive receiver and to a small condenser in parallel with it (see Fig. 23). The terminals of the condenser which is inserted in the middle

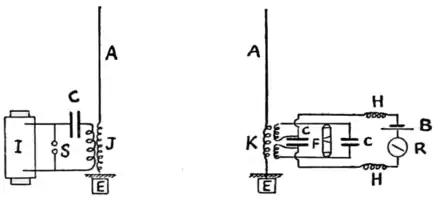
Fig. 23. Marconi Transmitter and Receiver. I, induction coil; A, aerial; E, earth plate; HH, choking coils; S, spark gap; J, transmitting jigger; K, receiving jigger; R, relay C, condenser; F, filings tube; B, battery. Many practical details are omitted.
of the secondary circuit of the oscillation transformer are connected through two small inductance coils with a relay and a single cell. This relay in turn actuates a Morse printer by means of a local battery. The two circuits of the oscillation transformer are tuned or syntonized to one another, and also to the similar circuit of the transmitting arrangement. When this is the case, the transmitter affects the coresonant receiving arrangement, but will not affect any other similar arrangement, unless it is within a certain minimum range of distance. Owing to the inductance of the oscillation transformer forming part of the receiving arrangements, the receiving circuit is, as before stated, very stiff or irresponsive; the sensitive tube is therefore not acted upon in virtue merely of the impact of the single wave against the aerial, but it needs repeated or accumulated effects of a great many waves, coming in proper time, to break down the coherer and cause the recording mechanism to act. An inspection of the diagram will show that as soon as the secondary electromotive force in the small oscillation transformer or jigger of the receiving instrument is of sufficient amplitude to break down the resistance of the coherer, the local cell in circuit with the relay can send a current through it and cause the relay to act and in turn make the associated telegraphic instrument record or sound.
Mr. Marconi described in the above-mentioned paper some other arrangements for achieving the same result, but those mentioned all depend for their operation upon the construction of a receiving circuit on which the time-period of electrical oscillations is identical with that of a transmitting arrangement. By this means he showed experiments during the reading of his paper, illustrating the fact that two pairs of transmitting and receiving arrangements could be so syntonized that