Sistema LTI
En procesamiento de señales, un sistema LTI (Linear Time-Invariant) o sistema lineal e invariante en el tiempo, es aquel que, como su propio nombre indica, cumple las propiedades de linealidad e invarianza en el tiempo.
Propiedades
Linealidad
Un sistema es lineal (L) si satisface el principio de superposición, que engloba la propiedad aditiva y de homogeneidad o escalado. Que sea proporcional significa que cuando la entrada de un sistema es multiplicada por un factor, la salida del sistema también será multiplicada por el mismo factor. Por otro lado, que un sistema sea aditivo significa que si la entrada es el resultado de la suma de dos entradas, la salida será la resultante de la suma de las salidas que producirían cada una de esas entradas individualmente.
Propiedad de proporcionalidad
Si

Propiedad de aditiva

Principio de linealidad o de superposición proporcional

Matemáticamente, si y1(t), y2(t), ... yn(t) son las salidas del sistema para las entradas x1(t), x2(t), ... xn(t) y a1, a2, ... an son constantes complejas, el sistema es lineal si:
En un sistema lineal, si la entrada es nula, la salida también ha de serlo. Un sistema incrementalmente lineal es aquel que, sin verificar la última condición, responde linealmente a los cambios en la entrada.
Por ejemplo, y(t) = 2x(t) + 2 no es lineal puesto que y(t) ≠ 0 para x(t) = 0, pero sí es incrementalmente lineal.
Invariabilidad
Un sistema es invariante con el tiempo si y solo si su comportamiento y sus características son fijas. Esto significa que los parámetros del sistema no van cambiando a través del tiempo y que por lo tanto, una misma entrada nos dará el mismo resultado en cualquier momento (ya sea ahora o después).

Matemáticamente, un sistema es invariante con el tiempo si un desplazamiento temporal en la entrada x(t-t0) ocasiona un desplazamiento temporal en la salida y(t-t0).
LTI
La combinación mediante el principio de superposición de ambas propiedades confiere a los sistemas la característica LTI.

Principio de Superposición con LTI

Una característica muy importante y útil de este tipo de sistemas reside en que se puede calcular la salida del mismo ante cualquier señal mediante la convolución, es decir, descomponiendo la entrada en un tren de impulsos que serán multiplicados por la respuesta al impulso del sistema y sumados.
Sistemas LTI en Serie/Paralelo
- SERIE: Si dos o más sistemas están en serie uno con otro, el orden puede ser intercambiado sin que se vea afectada la salida del sistema. Los sistemas en serie también son llamados como sistemas en cascada. Un sistema equivalente es aquel que está definido como la convolución de los sistemas individuales.
Esquema sencillo Sistema LTI Serie

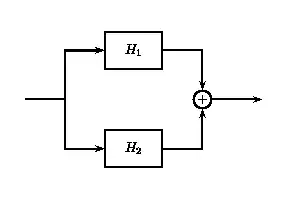
- PARALELO: Si dos o más sistemas LTI están en paralelo con otro, un sistema equivalente es aquel que está definido como la suma de estos sistemas individuales.
Esquema sencillo Sistema LTI Paralelo

Véase también
Enlaces externos
- ECE 209: Review of Circuits as LTI Systems – Short primer on the mathematical analysis of (electrical) LTI systems.
- ECE 209: Sources of Phase Shift – Gives an intuitive explanation of the source of phase shift in two common electrical LTI systems.
- JHU 520.214 Signals and Systems course notes. An encapsulated course on LTI system theory. Adequate for self teaching.