RFIC
Un circuito integrado de radiofrecuencia o RFIC (del inglés radio frequency integrated circuit) es un circuito integrado que trabaja en el rango de ondas de radiofrecuencia.

La electrónica actual tiene una fuerte tendencia al empleo de las tecnologías inalámbricas, en las cuales se conjuga toda la potencialidad del procesado digital y analógico, para altas frecuencias, en un mismo sistema. Estos sistemas integrados requieren bajo coste, bajo consumo, altas prestaciones y tamaño reducido, en donde el papel que juega la tecnología CMOS es vital para la expansión de los sistemas inalámbricos.
Historia
En los últimos años la tecnología CMOS ha evolucionado notablemente logrando mejoras en los niveles de integración y velocidad de proceso. Esto aunado a su bajo coste ha permitido la integración de procesadores digitales junto con el procesado analógico de la señal, dando lugar a la implementación de circuitos integrados de modo mixto. Por su parte, los circuitos integrados de Radio Frecuencia (RF) han sufrido un explosivo crecimiento por su extensa aplicación en sistemas de comunicación y equipos inalámbricos. Con respecto a los problemas tecnológicos, que se derivan de la implementación de estos sistemas en tecnología CMOS, cabe destacar el trabajo realizado por Thomas H. Lee. A él se le deben numerosas contribuciones teóricas de tecnología y diseño en este campo.
Circuitos Activos y Pasivos de Microondas
Los circuitos de microondas están divididos en dos grandes grupos: circuitos activos y circuitos pasivos. Los circuitos pasivos no agregan potencia a la señal que reciben, mientras que los activos sí que pueden agregarla. Los circuitos pasivos incluyen desde elementos discretos como resistencias, inductancias y capacitancias hasta circuitos más complejos, tales como: Filtros, divisores, combinadores, duplexores, circuladores, atenuadores, líneas de transmisión... Entre los circuitos que pueden ser tanto activos como pasivos, están las antenas, multiplexores, mezcladores... Dentro de los circuitos activos se encuentran los RFICs, diodos, MMICs, receptores, moduladores, osciladores...
La clave la integración

Los sistemas de comunicación inalámbricas transmiten las señales a frecuencias de unos pocos GHz (usualmente entre 1 GHz y 3 GHz); en estas bandas operan sistemas y servicios cuyo impacto es significativo (Bluetooth, 2,4 GHz; UMTS, GPS, DECT, etc).
La demanda actual de estos equipos se ha satisfecho mediante sistemas MCMs, o fundamentalmente, con circuitos, tanto integrados como discretos montados sobre PCBs, basados ambos en tecnologías III-V maduras. El principal problema del uso de estos circuitos es el alto coste y el bajo volumen de producción, es muy limitado. Sin embargo, las necesidades del mercado exigen componentes de radiofrecuencia (RF) pequeños, baratos, de bajo consumo y producción masiva. De modo que los grupos de investigación y, en especial, las empresas de diseño y fabricación de sistemas para RF enfocan sus líneas de investigación para desarrollar circuitos integrados estándar de silicio: CMOS y BiCMOS. Por tanto, los dispositivos activos en estas tecnologías alcanzan las frecuencias requeridas con unas dimensiones muy pequeñas; pero surge un nuevo problema, no se dispone de inductores de calidad.
Esta carencia anteriormente citada es muy restrictiva, pues implica la adaptación de las redes a altas frecuencias mientras que no es necesario, si se está trabajando con bajas frecuencias (por ejemplo, la utilización de circuitos de adaptación de impedancia compleja). Los inductores de calidad, son componentes pasivos y necesarios para muchas otras funciones, como la polarización de transistores en amplificadores de bajo ruido (LNA) o la implementación de tanques LC (circuitos resonadores sintonizados) en osciladores. Otros componentes además de los inductores de calidad, son los varactores integrados que amplíen el rango de valores de la capacitancia sin que ello exija una gran cantidad de área para la integración.
El escalado de la tecnología CMOS (>65nm), ha permitido llegar a la integración en un solo chip de gran capacidad de procesado, comunicaciones inalámbricas (wifi, bluetooth), memoria, vídeo, circuitos de RF, audio. Estos RFIC nos permiten disponer de terminales móviles que integran en un solo chip tecnología cuatribanda, cámara de fotos, navegador de internet, reproductor mp3, reproductor de video, agenda, etc .

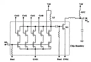
Bluetooth es un estándar de conectividad wireless que provee comunicaciones de voz y datos de bajo coste para enlazar teléfonos móviles PDA, PC, cámaras digitales y otros dispositivos portátiles. Está tecnología trabaja a 2.4 GHz. Los dispositivos Bluetooth operan en tres clases de potencia. La clase 2 opera a 0 dBm, la clase 2 opera a 4 dBm y la clase 1 opera a 20 dBm. Todas ellas transmite datos a 1 Mbps y la última generación oscila entre 2 y 12 Mbps.

Por lo tanto estos dispositivos deben ser capaces de controlar la potencia desde 20 dBm hasta 0 dBm, Bluetooth habilita este control de potencia optimizándola con LMP (Link Manager Protocol). Consiste en medir la señal recibida (RSSI) y reportando si la señal debe ser amplificada o no. Bluetooth además es considerado un estándar de bajo coste, y lo consigue gracias a la tecnología CMOS. CMOS es usado en esta tecnología como amplificadores de potencia, a continuación se muestra un esquema de un amplificador de este tipo
Problemas de diseño
La integración de la sección digital y de RF sobre un mismo sustrato es un tema de gran interés en la actualidad por las diferentes dificultades que ello conlleva. La problemática de la integración de estas dos secciones tan diferentes repercute en todos los niveles de abstracción y flujos de diseño, desde el desarrollo de la arquitectura, particionado, simulación, pruebas, elección de estándares, normativas, algoritmos, protocolos de comunicación, pasando por aspectos de simulación (CAD y modelado) para la planificación y coordinación de flujos de diseño (en sus diferentes niveles de abstracción), todos estos aspectos enmarcados y delimitados por el desarrollo de la tecnología actual y futura. Por lo tanto, a pesar de las ventajas, es innegable que la tecnología CMOS sufre de una serie de limitaciones, de entre las cuales se destacan los problemas referentes a la integridad de la señal. De entre estos problemas, el ruido de conmutación puede ser considerado un factor crítico en el diseño de Circuitos Integrados. La actividad eléctrica de los nodos digitales se acopla desde la red de distribución de energía al sustrato, implicando la transmisión de ruido a puntos sensibles de las secciones analógicas o de radiofrecuencia (RF), lo cual degrada notablemente sus prestaciones.
Aplicaciones
Las principales aplicaciones de los circuitos integrados de radiofrecuencia son los productos para comunicaciones inalámbricas, como por ejemplo, teléfonos móviles y PCS (servicio de comunicaciones personales: conjunto de tecnologías digitales celulares), estaciones base, redes de área local inalámbricas y módems para televisión cable.

Referencias
T. H. Lee, The Design of CMOS Radio-Frequency Integrated Circuits, USA: Cambridge University Press, Inc., 1998 ChannelPlanet.com