Puerta NOR
La puerta NOR o compuerta NOR es una puerta lógica digital que implementa la disyunción lógica negada, se comporta de acuerdo a la tabla de verdad mostrada a la derecha. Cuando todas sus entradas están en 0 (cero) o en BAJA, su salida está en 1 o en ALTA, mientras que cuando una sola de sus entradas o ambas están en 1 o en ALTA, su SALIDA va a estar en 0 o en BAJA. NOR es el resultado de la negación del operador OR. También puede ser visto como una puerta AND con todas las entradas invertidas. El NOR es una operación completamente funcional. Las puertas NOR se pueden combinar para generar cualquier otra función lógica. En cambio, el operador OR es monótono, ya que solo se puede cambiar BAJA a ALTA, pero no viceversa.
| INPUT | OUTPUT | |
| A | B | A NOR B |
| 0 | 0 | 1 |
| 0 | 1 | 0 |
| 1 | 0 | 0 |
| 1 | 1 | 0 |
En la mayoría, pero no en todas, las implementaciones de circuitos, la negación viene libre—incluyendo CMOS y TTL. En tales familias lógicas, el OR es la operación más complicada; puede utilizar un NOR seguido de un NOT. Una excepción importante es que algunas formas de la familia lógica dominó.
La Apollo Guidance Computer original utilizaba 4.100 CCII, cada uno que contiene solo una puerta NOR de 3 entradas.
Símbolos
Hay tres símbolos para las puertas NOR: el símbolo Americano (ANSI o "militar") y el símbolo IEC ("europeo" o "rectangular"), así como el obsoleto símbolo DIN. Para obtener más información, vea Puerta lógica.
![]() |
![]() |
![]() |
| Símbolo ANSI o "Militar" | Símbolo IEC | Símbolo DIN |
Descripción del hardware y configuración de pines
Las puertas NOR son puertas lógicas básicas, y como tales están disponibles en TTL y familias lógicas de CI CMOS. Las series 4000 de los CI CMOS estándares es el 4001, que incluye a cuatro puertas NOR independientes de dos entradas.
![]() Diagrama de pinout de un CI NOR 4001 formato DIP |
1 Entrada A1 2 Entrada B1 3 Salida Q1 4 Salida Q2 5 Entrada B2 6 Entrada A2 7 VSS 8 Entrada A3 9 Entrada B3 10 Salida Q3 11 Salida Q4 12 Entrada B4 13 Entrada A4 14 VDD |
Disponibilidad
Estos dispositivos están disponibles en la mayoría de los fabricantes de semiconductores como Fairchild Semiconductor, Philips o Texas Instruments. Normalmente, estos están disponible tanto en el orificio pasante de los formatos DIL y SOIC. Las hojas de datos están disponibles en la mayoría de las bases de datos de hojas de datos.
En los CMOS populares y las familias lógicas TTL, están disponibles puertas NOR con hasta 8 entradas:
- CMOS
- 4001: Puerta NOR Cuádruple de 2 entradas
- 4025: Puerta NOR Triple de 3 entradas
- 4002: Puerta NOR Dual de 4 entradas
- 4078: Puerta NOR Mono de 8 entradas
- TTL
- 7402: Puerta NOR Cuádruple de 2 entradas
- 7427: Puerta NOR Cuádruple de 3 entradas
- 7425: Puerta NOR Dual de 4 entradas (con luz estroboscópica, obsoleto)
- 7430: Puerta NOR Mono de 8 entradas
- 74260: Puerta NOR Dual de 5 entradas
- 744078: Puerta NOR Mono de 8 entradas
En las viejas familias RTL y ECL, las puertas NOR fueron eficientes y las más utilizadas.
Implementaciones
![]() |
![]() Disposición física de una CMOS NOR |
Los diagramas anteriores muestran la construcción de una puerta NOR de 2 entradas utilizando circuitería lógica NMOS. Si cualquiera de las entradas son altas, se enciende la correspondiente MOSFET de N canales y la salida se tira hacia abajo; de lo contrario la salida se tira a alto y al resistor pull-up.
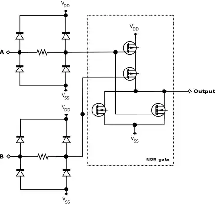
El diagrama de abajo muestra una puerta NOR de 2 entradas utilizando la tecnología CMOS. Los diodos y resistencias de las entradas están para proteger a los componentes CMOS de daños por descarga electrostática (ESD) pero no juegan ningún papel en la función lógica del circuito.

Véase también
Wikimedia Commons alberga una categoría multimedia sobre Puerta NOR.- Puerta AND
- Puerta OR
- Puerta NOT
- Puerta NAND
- Puerta XOR
- Puerta XNOR
- Álgebra booleana
- Puerta lógica
- Lógica NOR
Referencias
- Mano, M. Morris y Charles R. Kime. Logic and Computer Design Fundamentals, Tercera Edición. Prentice Hall, 2004. p. 73.
Enlaces externos
- Puerta NOR Interactiva, Demostrar el flujo lógico del circuito de la puerta NOR creada con el simulador de Teahlab. (en inglés)
- «Tecnología de las computadoras, Prof. Ing. Mauricio Vistosi». blogspot.com. Consultado el 24 de agosto de 2014.
- «Web sobre Arquitectura de Computadores y Electrónica Digital». vistosi.com.ar. Archivado desde el original el 1 de julio de 2014. Consultado el 24 de agosto de 2014.
- Esta obra contiene una traducción total derivada de «NOR gate» de Wikipedia en inglés, concretamente de esta versión, publicada por sus editores bajo la Licencia de documentación libre de GNU y la Licencia Creative Commons Atribución-CompartirIgual 4.0 Internacional.







