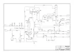
Piping and instrumentation diagram
Un diagrama de tuberías e instrumentación (DTI) (en inglés: Piping and Instrumentation Diagram, P&ID) es un diagrama que muestra el flujo del proceso en las tuberías, así como los equipos instalados y el instrumental.

Contenido y función

El DTI está definido por el Instituto de Instrumentación y Control de la siguiente manera:[1]
- Un diagrama que muestra la interconexión de equipos de proceso e instrumentos utilizados para controlar el proceso. En la industria de procesos, un conjunto estándar de símbolos se utiliza para preparar los dibujos de los procesos. El instrumento de símbolos utilizados en estos dibujos se basa generalmente en Sistemas de Instrumentación y Automatización de la sociedad (ISA) Norma S5. 1.
- El principal esquema utilizado para el diseño de una instalación de control de proceso.
Para las instalaciones de procesamiento, es una representación pictórica de:
- Instrumentos clave de las tuberías y los detalles.
- Control y sistemas de cierre.
- Seguridad y los requisitos reglamentarios.
- Puesta en marcha e información operativa.
Lista de temas de DTI
- Instrumentación y denominación
- Equipo mecánico con nombres y números
- Todas las válvulas y sus identificaciones
- Proceso de tuberías, el tamaño y la identificación
- Miscelánea - las rejillas de ventilación, desagües, instalaciones especiales, de muestreo, reductores
- Permanente puesta en marcha y el vaciado de las líneas
- Direcciones de Flujo
- Interconexiones referencias
- Control de entradas y salidas, sistemas de
- Interfaces para la clase de cambios
- Sistema de control de entrada de ordenador
- Identificación de los componentes y subsistemas entregados por otros
La identificación y designación de referencia
La familia de DTI se utiliza para la identificación de las mediciones en el proceso. Las letras de identificación para las mediciones se basan en la norma ISA 5.1 y la norma ISO 14617-6:
| Primera letra | Medición |
| D | Densidad |
| E | Electricidad |
| F | Caudal |
| H | Operario |
| J | Potencia |
| K | Jornada, Calendario |
| L | Nivel |
| M | Humedad |
| P | Presión |
| Q | Cantidad |
| R | Radiación |
| S | Velocidad, Frecuencia |
| T | Temperatura |
| V | Viscosidad |
| W | Peso |
Referencia para la designación de cualquier equipo en sistemas industriales de la norma IEC 61346 (Sistemas industriales, instalaciones y equipos y productos industriales - Estructuración de los principios y las denominaciones de referencia) se puede aplicar. Para la función de medición de referencia se utiliza la designación B, seguida de la anterior letra para la medida variable.
Símbolos de los aparatos e instrumentación
A continuación se enumeran algunos símbolos de los aparatos y el instrumental utilizados normalmente en un P&ID, según la norma DIN 30600 e ISO 14617.
![]() |
Tubería | ![]() |
Aislamiento térmico de tuberías | ![]() |
Doble tubería | ![]() |
Tubería con cambio térmico (se calienta o se enfría) |
![]() |
Recipiente agitator con camisa (autoclave) | ![]() |
Recipiente agitator con medio tubo para intercambio térmico | ![]() |
Recipientes a presión (horizontal) | ![]() |
Recipientes a presión (vertical) |
![]() |
Bomba hidráulica | ![]() |
Bomba de vacío o compresor | ![]() |
Saco | ![]() |
Tanque de gas |
![]() |
Ventilador | ![]() |
Ventilador axial | ![]() |
Ventilador radial | ![]() |
Secadora |
![]() |
Lecho empacado | ![]() |
Columna de placas | ![]() |
Horno metalúrgico | ![]() |
Torre de refrigeración |
![]() |
Intercambiador de calor | ![]() |
Intercambiador de calor | ![]() |
Enfriador | ![]() |
Intercambiador de calor de placas |
![]() |
Intercambiador de calor de doble tubo | ![]() |
Intercambiador de haz de tubos y manto derecho | ![]() |
Intercambiador de calor en forma U | ![]() |
Intercambiador de calor en espiral |
![]() |
Purga de gas cubierta | ![]() |
Purga de gas en curva | ![]() |
Filtro | ![]() |
Embudo |
![]() |
Purgador de vapor | ![]() |
Mirilla de vidrio | ![]() |
Válvula reductora de presión | ![]() |
Tubo flexible |
![]() |
Válvula | ![]() |
Válvula de control | ![]() |
Válvula manual | ![]() |
Válvula antirretorno |
![]() |
Válvula de aguja | ![]() |
Válvula tipo mariposa | ![]() |
Válvula de diafragma | ![]() |
Válvula de bola |
Véase también
Referencias
- «El DTI Está Definido Por El Instituto de Instrumentación y Control de La Siguiente Manera». Scribd (en inglés). Consultado el 5 de noviembre de 2018.
Enlaces externos
- P&ID en la Ingeniería Archivado el 9 de marzo de 2009 en Wayback Machine., en inglés
- Referencia ISO para símbolos de P&ID, en inglés
- Simbología de la ingeniería, grabados y dibujos descarga pdf gratuita, en inglés
- Cómo leer P&ID, en inglés











































