Optoacoplador
Un optoacoplador, también llamado optoaislador o aislador acoplado ópticamente, es un dispositivo de emisión y recepción que funciona como un interruptor activado mediante la luz emitida por un diodo led que satura un componente optoelectrónico, normalmente en forma de fototransistor o fototriac. De este modo se combinan en un solo dispositivo semiconductor, un fotoemisor y un fotorreceptor cuya conexión entre ambos es óptica. Estos elementos se encuentran dentro de un encapsulado que por lo general es del tipo DIP. Se suelen utilizar para aislar eléctricamente a dispositivos muy sensibles.
| Optoacoplador | ||
|---|---|---|
![]() Optoacoplador en encapsulado DIL-8 | ||
| Tipo | Semiconductor | |
| Principio de funcionamiento | Efecto fotoeléctrico | |
| Símbolo electrónico | ||
![]() | ||
Funcionamiento

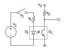
La figura de la izquierda muestra un optoacoplador 4N35 formado por un led y un fototransistor. La tensión de la fuente de la izquierda y la resistencia en serie establecen una corriente en el led emisor cuando se cierra el interruptor S1. Si dicha corriente proporciona un nivel de luz adecuado, al incidir sobre el fototransistor lo saturará, generando una corriente en R2. De este modo la tensión de salida será igual a cero con S1 cerrado y a V2 con S1 abierto.
Si la tensión de entrada varía, la cantidad de luz también lo hará, lo que significa que la tensión de salida cambia de acuerdo con la tensión de entrada. De este modo el dispositivo puede acoplar una señal de entrada con el circuito de salida, aunque hay que tener en cuenta que las curvas tensión/luz del led no son lineales, por lo que la señal puede distorsionarse. Se venden optoacopladores especiales para este propósito, diseñados de forma que tengan un rango en el que la señal de salida sea casi idéntica a la de entrada.
La ventaja fundamental de un optoacoplador es el aislamiento eléctrico entre los circuitos de entrada y salida. Mediante el optoacoplador, el único contacto entre ambos circuitos es un haz de luz. Esto se traduce en una resistencia de aislamiento entre los dos circuitos del orden de miles de MΩ. Estos aislamientos son útiles en aplicaciones de alta tensión en las que los potenciales de los dos circuitos pueden diferir en varios miles de voltios.
Tipos
En general, los diferentes tipos de optoacopladores se distinguen por su diferente etapa de salida. Entre los principales cabe destacar el fototransistor, ya mencionado, el fototransistor y el fototriac de paso por cero. En este último, su etapa de salida es un triac de cruce por cero, que posee un circuito interno que conmuta al triac sólo en los cruce por cero de la fuente.


Usos
Además de para aislar circuitos, se pueden utilizar optoacopladores para:
- Interfaces en circuitos lógicos.
- Interfaces entre señales de corriente alterna y circuitos lógicos.
- En sistemas de recepción (telefonía).
- Control de potencia.
- A modo de relé.
Bibliografía
- Malvino, Albert Paul (2000). Principios de Electrónica. McGraw-Hill/Interamericana de España,S. A. U. ISBN 84-481-2568-1.
.jpg.webp)
