Conversor de señal digital a analógica
Un conversor de señal digital a analógica o conversor digital analógico, CDA o DAC (del inglés, digital to analogue converter) es un dispositivo para convertir señales digitales con datos binarios en señales de corriente o de tensión analógica. Hay distintos componentes que pueden intervenir en este proceso, como interruptores simples, red de resistores, fuentes actuales o condensadores. Un convertidor de analógico a digital (ADC) realiza la operación inversa.

Las señales en la naturaleza tienen las características de ser continuas en su magnitud y en el diagrama temporal. La digitalización es necesaria para el procesamiento, almacenamiento y filtrado de señales analógicas con los beneficios que las señales digitales conllevan, como mayor inmunidad al ruido, circuitos electrónicos más simples para el procesamiento y almacenamiento. Representación unívoca de los elementos, cuya cantidad de símbolos es proporcional a , siendo n la cantidad de bits.
Especificaciones de un DAC
Existe una amplia variedad de DAC como circuitos integrados o bien como paquetes encapsulados. Hay que conocer las especificaciones más importantes de los fabricantes a fin de evaluar un DAC en una determinada aplicación.
- Resolución: La resolución porcentual de un DAC depende única y exclusivamente del número de bits de entrada del convertidor. Por esta razón, en las fichas técnicas se detalla de esta manera. Un DAC de 10 bits tiene una resolución más sensible (mayor exactitud) que uno de 8 bits. Este dato es extrapolable a las especificaciones de lectores de CD o equipos integrados.
- Precisión: Los fabricantes de DAC tienen varias maneras de establecer la precisión o exactitud. A las dos más comunes se las llama Error de Escala Completa y Error de Linealidad (o en ocasiones, directamente linealidad), que normalmente se expresan como un porcentaje de la salida de escala completa del convertidor (%FS).
El error de escala completa es la máxima desviación de la salida del DAC de su valor estimado (teórico).
El error de linealidad es la desviación máxima en el tamaño de etapa del teórico. Algunos de los DAC menos económicos tienen errores de escala completa y de linealidad en el intervalo 0.01% - 0.1%.
- Tiempo de respuesta: La velocidad de operación de un DAC se explica como tiempo de respuesta, que es el periodo que se requiere para que la salida pase de cero a escala completa cuando la entrada binaria cambia de todos los ceros a todos los unos. Los valores comunes del tiempo de respuesta variarán de 50 ns a 10 ms. En general, los DAC con salida de corriente tendrán tiempos de respuesta más breves que aquellos con una de voltaje. Por ejemplo, un DAC puede operar como salida de corriente o bien de voltaje. Su tiempo de respuesta a su salida es menor cuando se utiliza salida de corriente que cuando se emplea la de voltaje.
- Voltaje de balance: En teoría, la salida de un DAC será cero voltios cuando en la entrada binaria sean todo ceros. En la práctica, habrá un voltaje de salida pequeño producido por el error de balance del amplificador del DAC. Este desplazamiento es comúnmente 0.05% FS. Casi todos los DAC con voltaje tendrán una capacidad de ajuste de balance externo que permite eliminar el desequilibrio.
Otras características son la posibilidad de conversión unipolar o bipolar; el código utilizado en la información de entrada (generalmente, los convertidores digitales analógicos operan con el código binario natural o con el decimal codificado en binario, BCD), su tensión de referencia, que puede ser interna o externa (si es externa puede ser variada entre ciertos márgenes); así mismo, deberá tenerse en cuenta la tensión de alimentación, el margen de temperatura y su tecnología interna.
Aplicaciones de los DAC
Los DAC se utilizan siempre que la salida de un circuito digital tiene que ofrecer un voltaje o corriente analógicos para impulsar o activar un dispositivo analógico. Algunas de las aplicaciones más comunes se describen a continuación:
- Control: la salida digital de una computadora puede convertirse en una señal de control analógica para ajustar la velocidad de un motor o para controlar casi cualquier variable física.
- Análisis automático: los ordenadores personales pueden ser programados para generar las señales analógicas (a través de un DAC) que se necesitan para analizar circuitos analógicos. La respuesta de salida analógica del circuito de prueba normalmente se convertirá en valor digital por un ADC.
- Control de amplitud digital: un DAC multiplicativo se puede utilizar para ajustar digitalmente la amplitud de una señal analógica. Recordemos que éste genera una salida que es el producto de un voltaje de referencia y la entrada binaria. Si dicho voltaje es una señal que varía con el tiempo, la salida del DAC seguirá esta señal, pero con una amplitud determinada por el código de entrada binario. Una utilización normal de esta aplicación es el “control de volumen” digital, donde la salida de un circuito o computadora digital puede ajustar la amplitud de una señal de audio.
- Convertidores A/D: varios tipos de convertidores A/D utilizan unos DAC que son parte de sus circuitos. La mayoría de las señales de audio modernas se almacenan de forma digital (por ejemplo, MP3s y CD) y para poder ser escuchadas a través de altavoces deben ser convertidas en analógicas. Lectores de CD, reproductores digitales de la música, y tarjetas de sonido de los PC montan por ello un dispositivo de este tipo de forma interna.
Implementación
La forma de implementar un DAC es mediante redes resistivas, ya sea red escalera o red R-2R.
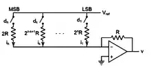
Método de las corrientes ponderadas

Cada llave simboliza un conmutador, el cual puede ser implementado por transistores JFET y en cuya compuerta está relacionada eléctricamente con la salida de un bit de un circuito digital. Siendo el bit con mayor peso ponderado (MSB) y LSB el bit con menor peso de ponderación. Mientras mayor es la ponderación del bit, mayor es la corriente que circula por la rama. Dichas concurren en un único nodo y según ley de corriente de Kirchhoff, la suma de estas convergen en la entrada no inversora, de manera la tensión de salida es:
donde
La desventaja principal es que se requiere un rango de valores de resistencia y una precisión muy grandes, difícilmente obtenibles en la práctica. Por ejemplo, para n = 10 el error en la resistencia 2R debe ser < 1/211 ≅ 0,05 % para asegurar que el error total sea menor que ½ salto de 1 LSB. Si en estas condiciones fuera 2R = 100 kΩ, entonces 2nR = 51,2 MΩ. Un valor menor para 2R redundaría en errores inadmisibles debidos a la resistencia Ron de las llaves analógicas, que ronda los 100 Ω.
Redes escalera

Las redes escalera permiten reducir el rango de valores de las resistencias. En la figura 4 se muestra un ejemplo, aunque no profundizaremos sobre este tipo de circuitos ya que en la actualidad están superados por las redes R-2R.
Redes R-2R

Una red resistiva, como la indicada en la figura 3, tiene la particularidad de que cualquiera sea el número de secciones la resistencia vista (excepto al final) es R. Este circuito puede usarse como se muestra en la figura 6 para obtener un conversor digital analógico muy eficiente.
Una implementación de la red R-2R en corriente es como se muestra en al figura 4. La masa virtual en la entrada inversora del amplificador operacional garantiza que la propiedad de la red R-2R se cumpla. Que el régimen sea igual al de la red escalera original lo garantiza el hecho de que ya sea que la llave esté en una u otra posición, el terminal de abajo de cada resistencia esta a un potencial 0 (ya sea masa real o virtual). Dado que la corriente suministrada por el potencial de referencia es i = Vref / R, la forma en que se reparten dichas corrientes permite concluir que

Siendo la ecuación anterior la implementación del método de las corrientes ponderadas.
Es también posible implementar el conversor R-2R en modo de tensión, como se muestra en figura 5. El análisis de la operación de este circuito se realiza por superposición. Obteniéndose a la salida:

Tiempo de establecimiento
Es el máximo tiempo transcurrido luego de un cambio de código de entrada arbitrario para alcanzar el valor analógico correspondiente con un error de a lo sumo ± 0,5 LSB. El tiempo de establecimiento de un conversor DAC tiene dos componentes: una debida al comportamiento dinámico lineal y otra debido al Slew-Rate del amplificador operacional (fenómeno no lineal). La primera se debe a las capacidades parásitas en paralelo con las llaves electrónicas, que hacen que la conmutación entre un código de entrada y otro no sea instantánea. Sus características son similares a las de cualquier transitorio, con una aproximación exponencial al valor final. La componente debida al slew-rate del amplificador se caracteriza por un crecimiento lineal con pendiente fija, por lo cual cuanto mayor sea la amplitud del salto (por ejemplo un cambio en la entrada de 00...0 a 11...1) mayor será el tiempo de crecimiento. En general predomina el efecto del slew-rate, salvo que se usen amplificadores de muy alta velocidad.
Sobrepico y glitch
El sobrepico es el resultado de una respuesta subamortiguada en el amplificador. El glitch es un efecto similar a lo que, en lógica se denomina “aleatorio”, que consiste en que las llaves no conmutan instantáneamente ni simultáneamente. Así, en un DAC de 8 bits, al pasar del código 127 al 128 en la entrada, podría haber un momento en que todas las llaves conducen (es decir que se encienda la que corresponda al MSB antes de apagarse las restantes), o viceversa. El resultado es un pico de corriente corto (de uno u otro signo) pero de gran amplitud. Este pico podría atenuarse debido al slew-rate del amplificador de salida.
Véase también
Referencias
- www.revistacec.com/didactica/3101-convertidor-digital-analogico-dac-3101.html