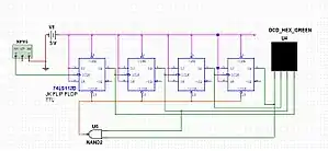
Contador (electrónica)
En electrónica digital, un contador es un circuito secuencial construido a partir de biestables y puertas lógicas capaces de almacenar y contar los impulsos (a menudo relacionados con una señal de reloj), que recibe en la entrada destinada a tal efecto, así mismo también actúa como divisor de frecuencia. Normalmente, el cómputo se realiza en código binario, que con frecuencia será el binario natural o el BCD natural (contador de decenas). Ejemplo, un contador de módulo 4 pasa por 4 estados, y contaría del 0 al 3. Si necesitamos un contador con un módulo distinto de 2^n, lo que haremos es añadir un circuito combinacional.


Clasificación de los contadores de circuito secuencial
- Según la forma en que conmutan los números, podemos hablar de contadores numeradores (todos los números conmutan a la vez, con una señal de reloj común) o asíncronos (el reloj no es común y los números conmutan uno tras otro).
- Según el sentido de la cuenta, se distinguen en ascendentes, descendentes y UP-DOWN o numéricos
(alterna en ascendentes o descendentes según la señal de control).
- Según la cantidad de números que pueden contar, se puede hablar de contadores binarios de n bits (cuentan todos los números posibles de n bits, desde 0 hasta ), contadores BCD (cuentan del 0 al 9).
El número máximo de estados por los que pasa un contador se denomina módulo del contador(Número MOD). Este número viene determinado por la expresión 2^n donde n indica el número de bits del contador. Ejemplo, un contador de módulo 4 pasa por 4 estados, y contaría del 0 al 3. Si necesitamos un contador con un módulo distinto de 2^n, lo que haremos es añadir un circuito combinacional.