Conexión estrella triángulo
La conexión estrella - triángulo[1] o arranque estrella - delta es un método de conexión más utilizado para el arranque a tensión reducida[2] de un motor trifásico, empleado para reducir la intensidad consumida por el mismo durante el arranque. Al principio, el motor, se encuentra conectado según el esquema estrella, por lo tanto, la intensidad absorbida es un tercio de la necesaria, si se hubiera conectado directamente según el esquema triángulo. Cuando alcanza cierta velocidad de giro, se conecta el motor según el Esquema Delta o Triángulo (Δ), ya que genera mayor par motor que si continuara conectado según el Esquema Estrella (Υ).[3]
Conexión directa o Arranque directo de un motor trifásico


Un motor se conecta directamente a la red con protectores en la forma convencional, esto quiere decir, que podemos conectar cada fase del motor directo a la red[4] (en el caso de Europa, incluida Rusia, toda América Latina y prácticamente en la totalidad de todos los países del mundo, poseen 400 voltios entre dos fases de la red, distribuidos en las fases L1, L2, L3), recomendándose siempre colocar las protecciones correspondientes. Estas pueden ser una protección magnetotérmica tripolar, más un contacto o un protector magnético (disyuntor magnético) con una protección térmica o guardamotor según lo que el electricista crea conveniente.[5]
Conexión de un motor trifásico en estrella - triángulo
"Los motores eléctricos en general (tanto de alterna como de continua), en el momento del arranque deben vencer el par resistente que existe en su eje. Esto provoca que la corriente consumida en ese instante sea muy elevada, resultando especialmente perjudicial para la máquina y el circuito que la alimenta, agravándose en motores de gran potencia. Para evitar en todo lo posible esta sobrecorriente, se utilizan numerosas configuraciones para el arranque. El uso de sistemas basados en automatismos industriales permiten optimizar este tipo de maniobras con gran facilidad."[6]
Para contrarrestar este efecto, se cuenta con la conexión estrella - triángulo que básicamente "consiste en suministrarle alternativamente dos tensiones a los bobinados del estator mediante una conmutación apropiada. Para suministrarles estas tensiones a los bornes de los bobinados del estator, se puede recurrir a los contactores comandados por un circuito de control adecuado (electromecánico o electrónico) o bien a interruptores conmutadores manuales." [1]
Así, la conexión en estrella - triángulo es un circuito para un motor trifásico, que se emplea para lograr un rendimiento óptimo en el momento del arranque.[6] Por ejemplo, en el caso de un motor trifásico, utilizado para la puesta en marcha de turbinas de ventilación de grandes dimensiones con un peso elevado, que deben desarrollar una rotación final de alta velocidad, hay que conectar ese motor trifásico con un circuito que permita cumplir con los requerimientos de trabajo. Se observa que a los motores que poseen mucha carga mecánica, como el ejemplo anterior, les cuesta comenzar a girar y alcanzar su velocidad final.
Esta conexión se debe realizar de acuerdo a las especificaciones técnicas que indique el motor en su chapa de datos acoplada a la carcasa del mismo. Si bien, tanto en la conexión en triángulo como en estrella, el motor consume la misma potencia, en la conexión en estrella la intensidad que circula por los cables hasta el motor es 1.73 veces menor que en triángulo.[7]
Para comenzar a girar el rotor, un motor necesita una corriente mucho mayor a su corriente nominal. Luego, para elevar su velocidad de rotación, precisa una alta tensión. Dado que en una conexión estrella las corrientes de línea son iguales a las de fase, y que en una conexión triángulo, las tensiones de fase y de línea son iguales, a dichas características se debe que el motor inicialmente se conecte en estrella y luego en triángulo.[6]

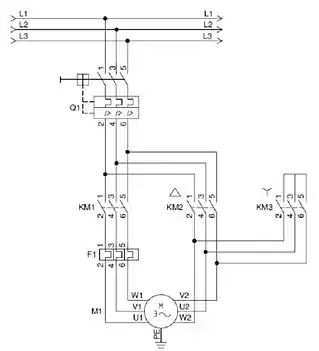
Esquema de conexión
El circuito de fuerza se realiza con tres contactores, además de las protecciones pertinentes para la conexión de cualquier motor trifásico. Siendo KM la denominación que se le da a los contactores de potencia y el número que lo acompaña el indicador del orden en el que aparece en el esquema, se denominará KM1 al contactor principal, KM2 al que realiza la conexión en triángulo y KM3 al que realiza la conexión en estrella, respectivamente. Una vez conectado el motor a las fases de la red eléctrica de forma convencional, se suma la conexión estrella-triángulo.[6]
Explicación
"El arranque estrella/triángulo consiste en poner en marcha el motor en dos tiempos. En el primero, que coincide con la conmutación a la red eléctrica, el motor funciona con sus bornes conectados en estrella, consumiendo así tres veces menos corriente que en funcionamiento nominal. En el segundo tiempo, que coincide cuando la máquina ya ha conseguido la velocidad y corriente nominales, la caja de bornes se conmuta al modo triángulo, trabajando así en las condiciones de marcha normal para las que ha sido diseñado."[6]
Así, el contactor KM1 alimenta la conexión directa del motor a la red y a su vez, también, alimenta la bobina del contactor KM3. Cuando llega a determinada corriente (nominal) se hace el cambio de contactor, acoplando el contactor KM2 de forma que entra en funcionamiento la configuración triángulo.[1]
Referencias
- Farina, Alberto Luis Farina (2018). «Motores eléctricos trifásicos: arranque e inversión del giro». Suplemento Instaladores. Ingeniería Eléctrica. Consultado el 21 de mayo de 2021.
- Aldas Ruiz, Alexandra Elizabeth (2014). «Implementación de una estación de medición y análisis de señales analógicas en métodos de arranque a tensión reducida de motores trifásicos en el laboratorio de electrónica de la Facultad de Mecánica-ESPOCH». Escuela Superior Politécnica de Chimborazo. Consultado el 21 de mayo de 2021.
- Calcina Sotelo, Armando Felipe (2016). «Optimización del funcionamiento de un motor de inducción para el ahorro de energía eléctrica en el laboratorio UNCP». Repositorio Institucional. Universidad Nacional del Centro del Perú. Consultado el 21 de mayo de 2021.
- Martín Castillo, Juan Carlos (2021). «Máquinas Eléctricas». Google Libros. Consultado el 21 de mayo de 2021.
- Cerdá Filiu, Luis Miguel (2014). «Instalaciones eléctricas y automatismos». Google Libros. Consultado el 21 de mayo de 2021.
- Martín Castillo, Juan Carlos (2016). «7. Arranque y variación de velocidad en motores». Automatismos industriales. Editex.
- Manzano Agugliaro, Francisco (2017). «Problemas de teoría de circuitos: 350 problemas para iniciación en Ingeniería Eléctrica». Google Libros. Consultado el 28 de mayo de 2021.