Circuito RLC

En electrodinámica, un circuito RLC es un circuito lineal que contiene una resistencia eléctrica, una bobina y un capacitor.

Existen dos tipos de circuitos RLC, en serie o en paralelo, según la interconexión de los tres tipos de componentes. El comportamiento de un circuito RLC se describe generalmente por una ecuación diferencial de segundo orden (en donde los circuitos RC o RL se comportan como circuitos de primer orden).

Con ayuda de un generador de señales, es posible inyectar en el circuito oscilaciones y observar en algunos casos el fenómeno de resonancia, caracterizado por un aumento de la corriente (ya que la señal de entrada elegida corresponde a la pulsación propia del circuito, calculable a partir de la ecuación diferencial que lo rige).

Circuito RLC en serie

Circuito RLC en serie

Circuito sometido a un escalón de tensión

Si un circuito RLC en serie es sometido a un escalón de tensión , la ley de las mallas impone la relación:

Introduciendo la relación característica de un condensador:

Se obtiene la ecuación diferencial de segundo orden:

donde:

En el caso de un régimen sin pérdidas, esto es para , se obtiene una solución de la forma:

donde:

  • T0 el periodo en segundos;
  • φ la fase en el origen (lo más habitual es elegirla para que φ = 0).

Lo que resulta:

donde es la frecuencia de resonancia, en hercios (Hz).

Circuitos sometidos a una tensión sinusoidal

La transformación compleja aplicada a las diferentes tensiones permite escribir la ley de las mallas bajo la forma siguiente:

siendo la tensión en el generador. Introduciendo las impedancias complejas:

La frecuencia angular (o pulsación) de resonancia de corriente de este circuito ω0 es dada por:

Para esta frecuencia la relación de arriba se convierte en:

y se obtiene: .

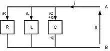
Circuito RLC en paralelo

Circuito RLC en paralelo




ya que


.

Atención: la rama C es un corto-circuito: de esta manera no se pueden unir las ramas A y B directamente a los bornes de un generador E, se les debe adjuntar una resistencia.

Las dos condiciones iniciales son:

  • conserva su valor antes de la puesta en tensión (porque la inductancia se opone a la variación de corriente).
  • conserva su valor antes de la puesta en tensión .

Circuito sometido a una tensión sinusoidal

La transformación compleja aplicada a las diferentes intensidades proporciona:

Siendo, introduciendo las impedancias complejas:

siendo :

La frecuencia angular de resonancia en intensidad de este circuito ω0 es dada por:

Para esta frecuencia, la relación de arriba se convierte en:

y se obtiene:

.

Uso de los circuitos RLC

Los circuitos RLC son generalmente utilizados para realizar filtros de frecuencias, o de transformadores de impedancia. Estos circuitos pueden entonces comportar múltiples inductores y condensadores: se habla entonces de «red LC».

Un circuito LC simple es denominado de segundo orden porque su función de transferencia comporta un polinomio de segundo grado en el denominador.

Véase también

Enlaces externos

Este artículo ha sido escrito por Wikipedia. El texto está disponible bajo la licencia Creative Commons - Atribución - CompartirIgual. Pueden aplicarse cláusulas adicionales a los archivos multimedia.