Amperímetro
Un amperímetro en términos generales, es un simple galvanómetro (instrumento para detectar pequeñas cantidades de corriente), con una resistencia en paralelo, llamada "resistencia shunt". El amperímetro se utiliza para medir la intensidad de las corrientes eléctricas. Disponiendo de una gama de resistencias shunt, se puede disponer de un amperímetro con varios rangos o intervalos de medición. Los amperímetros tienen una resistencia interna muy pequeña, por debajo de 1 ohmio, con la finalidad de que su presencia no disminuya la corriente a medir cuando se conecta a un circuito eléctrico.

El aparato descrito corresponde al diseño original, ya que en la actualidad los amperímetros utilizan un conversor analógico/digital para la medida de la caída de tensión en un resistor por el que circula la corriente a medir. La lectura del conversor es leída por un microprocesador que realiza los cálculos para presentar en un display numérico el valor de la corriente eléctrica circulante.
Clases de amperímetros
Los sistemas de medida más importantes son los siguientes: magnetoeléctrico, electromagnético, electrodinámico y digital, cada una de ellas con su respectivo tipo de amperímetro.
Amperímetros magnetoeléctricos
Para medir la corriente que circula por un circuito se tiene que conectar el amperímetro en serie con la fuente de alimentación y con el receptor de corriente. Así, toda la corriente que circula entre esos dos puntos va a pasar antes por el amperímetro. Estos aparatos tienen una bobina móvil que está fabricada con un hilo muy fino (aproximadamente 0,05 mm de diámetro) y cuyas espiras, por donde va a pasar la corriente que se quiere medir, tienen un tamaño muy reducido. Por todo esto, se puede decir que la intensidad de corriente, que va a poder medir un amperímetro cuyo sistema de medida sea magnetoeléctrico, va a estar limitada por las características físicas de los elementos que componen dicho aparato. El valor límite de lo que se puede medir sin temor a introducir errores va a ser alrededor de los 100 miliamperios, luego la escala de medida que se va a usar no puede ser de amperios sino que debe tratarse de miliamperios. Para aumentar la escala de valores que se puede medir, se puede colocar resistencias en derivación, pudiendo llegar a medir amperios (aproximadamente hasta 300 amperios). Las resistencias en derivación pueden venir conectadas directamente en el interior del aparato o se pueden conectar externamente.
Amperímetros electromagnéticos
Los amperímetros más utilizados se basan bien en las interacciones entre campos magnéticos y corrientes, bien en los efectos térmicos de éstas. Entre los primeros se destacan los de cuadro móvil, los electrodinámicos y los de hierro móvil. Los amperímetros de cuadro móvil constan de un imán fijo entre cuyos polos se encuentra una bobina móvil. Cuando la corriente que se mide pasa por la bobina, el campo magnético del imán fijo determina la aparición de un par de fuerzas que desplazan la bobina en proporción directa a la intensidad de la corriente. Los amperímetros electrodinámicos son semejantes a los anteriores, con la salvedad de que en este caso el campo magnético lo crea una bobina fija unida en serie a la móvil. La desviación resulta entonces proporcional al cuadrado de la intensidad. En los amperímetros de hierro móvil el campo creado por una bobina fija unida al circuito desvía una pieza de hierro dulce provista de un resorte recuperador. Los amperímetros térmicos aprovechan los cambios de temperatura asociados al desprendimiento de calor por efecto Joule en algún elemento del circuito. Los más modernos están provistos de un par termoeléctrico conectado a un milivoltímetro.
Están constituidos por una bobina que tiene pocas espiras pero de gran sección. La potencia que requieren estos aparatos para producir una desviación máxima es de unos 2 vatios. Para que pueda absorberse esta potencia es necesario que sobre los extremos de la bobina haya una caída de tensión suficiente, cuyo valor va a depender del alcance que tenga el amperímetro. El rango de valores que abarca este tipo de amperímetros va desde los 0,5 A a los 300 A. Aquí no se pueden usar resistencias en derivación ya que producirían un calentamiento que conllevaría errores en la medida. Se puede medir con ellos tanto la corriente continua como la alterna. Siendo solo válidas las medidas de corriente alterna para frecuencias inferiores a 2620 Hz. También se pueden agregar amperímetros de otras medidas eficientes.
Amperímetros electrodinámicos
Los amperímetros con sistema de medida "electrodinámico" están constituidos por dos bobinas, una fija y una móvil.
Amperímetros digitales
Estos amperímetros utilizan una resistencia de derivación y un convertidor analógico-digital (ADC)[1]

Amperímetros rectificadores
Se utilizan para la medición de corriente alterna que está conectada a la corriente secundaria de un transformador de corriente, la corriente secundaria es mucho menor que la primaria y está conectada con un puente rectificador a un amperímetro de bobina móvil.
Utilización
Para efectuar la medida es necesario que la intensidad de la corriente circule por el amperímetro, por lo que este debe colocarse en serie, para que sea atravesado por dicha corriente. El amperímetro debe poseer una resistencia interna lo más pequeña posible con la finalidad de evitar una caída de tensión apreciable (al ser muy pequeña permitirá un mayor paso de electrones para su correcta medida). Para ello, en el caso de instrumentos basados en los efectos electromagnéticos de la corriente eléctrica, están dotados de bobinas de hilo grueso y con pocas espiras.
En algunos casos, para permitir la medida de intensidades superiores a las que podrían soportar los delicados devanados y órganos mecánicos del aparato sin dañarse, se les dota de un resistor de muy pequeño valor colocado en paralelo con el devanado, de forma que solo pase por este una fracción de la corriente principal. A este resistor adicional se le denomina shunt. Aunque la mayor parte de la corriente pasa por la resistencia de la derivación, la pequeña cantidad que fluye por el medidor sigue siendo proporcional a la intensidad total por lo que el galvanómetro se puede emplear para medir intensidades de varios cientos de amperios.
La pinza amperimétrica es un tipo especial de amperímetro que permite obviar el inconveniente de tener que abrir el circuito en el que se quiere medir la intensidad de la corriente.

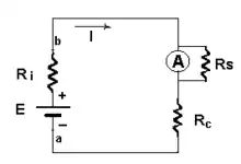
En la figura 1 se muestra la conexión de un amperímetro (A) en un circuito, por el que circula una corriente de intensidad (I), así como la conexión del resistor shunt (RS).
El valor de RS se calcula en función del poder multiplicador (n) que se quiere obtener y de la resistencia interna del amperímetro (RA) según la fórmula siguiente:
Así, supongamos que se dispone de un amperímetro con 5 Ω de resistencia interna que puede medir un máximo de 1 A (lectura a fondo de escala). Si se desea que pueda medir hasta 10 A, lo que implica un poder multiplicador de 10. La resistencia RS del shunt deberá ser:
Notas y referencias
- «Amperímetro || Electrónica Básica». 4 de junio de 2013. Archivado desde el original el 17 de julio de 2013. «Amperímetros digitales».